FSRU Research & Development
OceanSTAR is currently developing FSRU products based on OSMO’s project experience and engineering capabilities in offshore O&G industry. we would like to provide customers with a competitive solution for their offshore LNG regasification supply chain.
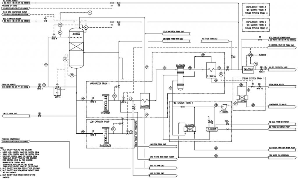
Conversion LNGC Design
LNG Cargo Containment System: MOSS
Net Volume Cargo Capacity: 135,000 m3
LNG Regasification Capacity
Peak: 240.12 MMSCFD
Nominal: 104.5 MMSCFD
Minimum: 17.55 MMSCFD
New-bulid FSRU
As for new-build FSRU, our goal is to realize in-house design for the entire product including Regas, Hull, Marine and Cargo Handling and to obtain the AiP Certificate under company strategy.
LNG Cargo Containment System: GTT
Net Volume Cargo Capacity: 140,000 m3
LNG Regasification Capacity
Peak: 360 MMSCFD
Nominal: 240 MMSCFD
Minimum: 54 MMSCFD
Floating Wind Farm
Joint Research & Development of Innovative Support System for a 10 MW FOWT, supported by Singapore-China Joint Innovation program.
- to develop an innovative & optimized design of FOWT support platform, which is suitable for operation in Southeast Asia / South China Sea region.
- to optimize the FOWT global performance in terms of Stability, Seakeeping, Structural Strength & Fatigue, and mooring system
- to reduce the steel weight & cost
- to validate the results through model test
TLP wind turbine R&D cooperation with another partner MOU has been signed.
AiP for Newbuilt FPSO/FSO
Previous Research & Development Project
| Project | Project Description |
|---|---|
| Turret Mooring System | The Turret Mooring System consists of a turret assembly that is integrated into a vessel and permanently fixed to the seabed by means of a mooring system. |
| Fish Farm Integrated with Wave Energy | Innovative single point mooring system is integrated with large fish farm which may survive in harsh open environment, which may rotate around its single point mooring and adapt to the changing nature ocean currents. |
